NPN Transistor in CE Mode Experiment
Experiment: To draw the characteristics of an NPN transistor in common emitter mode. From the characteristics find out (i) the current gain (β) of the transistor and (ii) the voltage gain AV with a load resistances of 1k Ω.
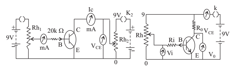
A transistor has three leads. To identify them hold it up side down. There is a small tab projecting out of the casing. The lead adjacent to this tab is emitter lead. The other two leads taken in clock wise direction are respectively base and collector leads. In some transistors there is a coloured dot marked on the casing. The lead near this mark is collector. The other two leads taken in anti clockwise order are respectively base and emitter leads.
While using a transistor the collector is always reverse biased. Normally no current flows in the collector emitter circuit. But on passing a small base current by forward biasing the base emitter junction, a strong Ic starts flowing. Thus, a transistor is a current operated device and a small base current gets amplified in the collector circuit. The emitter is included in both the base and the collector circuits. Hence, it is called a common emitter circuit.
The incremental ratio δIc/δIb is the current amplification factor ‘β’ of the transistor. To keep Ic constant, a high resistance of 20k ohm or more is included in series with the base.

When the input signal supplied to a transistor changes by a small amount, it produces a large change in output. The ratio of change in output voltage to the corresponding change in input voltage is called voltage gain Av produced by the transistor.
To obtain voltage gain Av from a transistor a load resistance Ro is to be connected in series with the collector and a suitable resistance Ri in series with the base.
If δVi is the change in input voltage, then change in base current produced by it is given by
δIi = δIb = δVi/Ri
Material Required
One 1.5 V and one 9 V batteries or stabilized battery eliminator with 9 V and 1.5 output terminals, medium power NPN transistor CL100 or equivalent mounted on board for making connections, 0-30 mA DC meter, 0-300 micro amp DC meter, 0-10 V DC voltmeter, 0-1.5 V DC voltmeter, two 1000 ohm rheostats, two one way keys, 20 k ohm, 4 k
ohm, 2 k ohm, 1 k ohm and 0.5 k ohm carbon resistors with terminals and connecting wires or leads.
How To Set Up
Select a medium power transistor so that it can withstand a high current without damage. Here, the CL100 has been recommended for the experiment. Identify its leads and see that they are correctly connected to the three terminals on the board. Draw the diagram in your copy and place all the required equipment on the table. Then, complete the connections with the wire. Move the wipers of rheostats to 0 end and insert the keys. All the meters should indicate zero reading.
Now set the wiper of rheostat-2 to the middle. The collector voltmeter will show 4 volt and collector current will be zero. Now move the wiper of rheostat-1 slowly upward. The base current will increase uniformly as indicated by the micro ammeter and the collector current will also rise. Take care that it does not go beyond 30 mA. The circuit has been set correctly.
How To Perform Experiment
1. Note the least count of the meters - micro ammeter, volt meter and milli ammeter.
2. To start with, the wipers of both the rheostats are at zero position. Move the wiper of rheostat-1 so that the Io becomes 100 μA. Leave it there. Now move the wiper of rheostat-2 slowly in small steps, take the readings of Vce and Ic and record them.
At first Ic rises rapidly and then it becomes nearly constant against variation of Vve. Take the readings up to 9 V. Similarly repeat the observations with Io set to 150 and 200 μA and record the observations.
3. Plot graphs from the data recorded. These are the characteristics of CL100 in CE mode. At low Vce a fraction of charge carriers injected into the base region are collected by the collector and hence Ic is small. As Vce increases more and more carriers get collected, hence Ic rises rapidly. When all the carriers have been collected Ic becomes nearly constant. This explains the shape of the characteristics curves.
4. To find the current amplification factor β of the transistor draw a vertical line perpendicular to Vce axis at say 5 V point. Let it cut the three curves at A, B and C. Now from points A, B and C draw perpendiculars on the Ic axis. Let these meet the axis at points D, E and F.
5. In going from points A to B the base current changes by
δIb = 150 – 100 = 50 μA = 50/1000 mA
6. The collector current changes by DE mA. Therefore,
δIc = DE mA
β = (DE × 1000)/50
7. Similarly calculate β for variation of currents from B to C and A to C. Find the mean value of β.
How To Find Voltage Gain
1. To determine the voltage gain A produced by the transistor with 1 k ohm load resistance R0, connect the circuit. Keep the wiper of rheostat at zero. Keep Ri = 4 k ohm.
2. Insert key K2 to apply voltage of 9V to collector. Then insert K1, and move the wiper of rheostat slowly upward till the reading of Vce say 5 V. Now increase or decrease V. by say 0.05 V, or 0.1 V, or 0.2 V. For this least count of voltmeter Vi should be small. This gives the change in input voltage that is δVi. Note the corresponding change in Vce, which gives δVo. Record these readings. Repeat this process five or six times and record the observations.
3. Calculate the voltage gain for all the sets of readings recorded. You will see that Av is about the same for all the sets. The deviation occurs when the output voltmeter readings are near 0 or 9 volts.